Главная ›  Кольца колодезные  ›  Кольцо стеновое КС-8-10
Каталог
Кольцо стеновое КС-8-10
Кольцо стеновое КС-8-10
Наименование Длина/ d внут. Ширина/ d нар. Высота Масса, тн
Кольца стеновые
КС-10-101000116010000,700
КС-10-3100011603000,200
КС-10-5100011605000,390
КС-10-6 1000 1160 600 0,400
КС-10-9 1000 1160 900 0,600
КС-15-10 1500 1660 1000 1,130
КС-15-5 1500 1660 500 0,550
КС-15-6 1500 1660 600 0,700
КС-15-9 1500 1660 900 1,000
КС-20-10 2000 2160 1000 1,650
КС-20-5 2000 2160 500 0,800
КС-20-6 2000 2160 600 1,000
КС-20-9 2000 2160 900 1,475
КС-7-1 700 860 100 0,040
КС-7-1.5 700 860 150 0,060
КС-7-10 700 860 1000 0,440
КС-7-3 700 860 300 0,130
КС-7-5 700 860 500 0,250
КС-7-9 700 860 900 0,400
КС-8-10 800 960 1000 0,470
КС-8-5 800 960 500 0,260
КС-8-6 800 960 600 0,270
КС-8-9 800 960 900 0,420

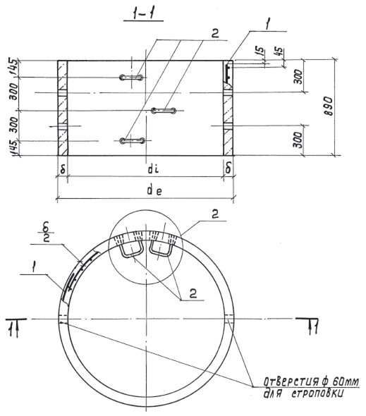
Кольца стеновые широко распространенный элемент сборных конструкций. Применяются в строительстве инженерно-технических сооружений. Зачастую, железобетонные кольца используется при устройстве колодцев, поэтому их еще называют кольца колодцев. Благодаря прочности и долговечности, не менее популярны они и для использования в качестве выгребных ям. Основные области применения – смотровые колодцы, канализационные и газо-водоотводные сети, а также прокладка тепловых и кабельных магистралей.

Кольца колодезные маркируются буквенно-цифровыми группами, разделенные дефисами. Буквы обозначают тип конструкции, «КС» – кольцо стеновое рабочей камеры или горловины колодца. Цифры после букв (округленные до целого числа) обозначают их внутренний диаметр и высоту (в дециметрах). Например, КС-10-9 – кольцо стеновое с внутренним диаметром 1000 мм и высотой 900 мм.

Кольцо стеновое КС-8-10

  • Наличие: Есть в наличии
  • по запросу руб.

Перед тем как заказать товар, необходимо уточнить у менеджера о его наличии на складе.

Отгрузка осуществляется только после поступления оплаты на счёт поставщика


Сопутствующие товары